Прокачка гидропривода сцепления
О воздухе в гидроприводе сцепления говорит неполное выключение сцепления, а также «мягкость» и «провалы» педали сцепления.
Рис. 3-2. Педаль и главный цилиндр привода выключения сцепления:
1 – трубка, соединяющая главный и рабочий цилиндры;
2 – главный цилиндр;
3 – гайка крепления главного цилиндра;
4 – кронштейн педалей;
5 – стопорная скоба;
6 – втулка;
7 – ось педали сцепления;
8 – педаль сцепления;
9 – стопорная скоба;
10 – толкатель главного цилиндра;
11 – втулка.
Для удаления воздуха из гидропривода:
• очистите бачок гидропривода главного цилиндра 2 (рис. 3-2) и штуцер 8 (рис.
3-3) рабочего цилиндра для прокачки от пыли и грязи;
• проверьте уровень жидкости в бачке гидропривода главного цилиндра 2 (см. рис.
3-2) и при необходимости долейте жидкость;
• наденьте на головку штуцера 8 (см. рис. 3- 3) рабочего цилиндра шланг и погрузите
его нижний конец в сосуд с жидкостью для гидропривода (30–50 г);
• отверните на 1/2–3/4 оборота штуцер 8, резко нажимайте и плавно отпускайте педаль
до тех пор, пока не прекратится выделение пузырьков воздуха из шланга (при этом
проверяйте уровень жидкости в бачке и при необходимости доливайте);
• нажав на педаль, заверните до отказа штуцер 8. Снимите шланг и наденьте колпачок
штуцера.
Если, несмотря на продолжительную прокачку, из шланга будут выходить пузырьки воздуха, проверьте надежность крепления соединений, выясните, нет ли на трубках трещин или подтекания в соединениях со штуцерами. Возможно проникновение воздуха через поврежденные уплотнительные элементы главного или рабочего цилиндров.
При прокачке:
• конец шланга для прокачки должен быть постоянно погружен в жидкость;
• после прокачки доведите уровень жидкости в бачке до верхней отметки на его корпусе.
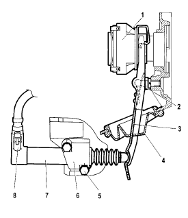
Рис. 3-3. Рабочий цилиндр и вилка выключения сцепления:
1 – муфта выключения сцепления;
2 – шаровая опора;
3 – вилка выключения сцепления;
4 – чехол вилки выключения сцепления;
5 – болт крепления кронштейна;
6 – кронштейн;
7 – рабочий цилиндр;
8 – штуцер для прокачки.
Смотрите также:
Запуск двигателя - автоматическая коробка передач
1. Пристегните ремень безопасности и проследите за пристегиванием ремней всеми
пассажирами.
2. Задействуйте стояночный тормоз, если он не был задействован.
3. Убедитесь в правильном положении сиде ...
Давление в шинах
Поверяйте давление в холодных
шинах каждые две недели и перед
каждой длительной поездкой. Не
забудьте про запасное колесо.
Скрутите колпачок вентиля.
Давление в шинах указано
на табличке, ра ...
Рекомендации по вождению автомобиля - орможение двигателем
Для использования на затяжных спусках эффекта торможения двигателем выполните
следующее:
• Для автоматической коробки передач при необходимости переключитесь на диапазон
передач “3”, “2” или “1”. ...


