Разборка и сборка
Разборка. Промойте коробку передач и установите ее на стенде. Слейте масло и снимите нижнюю крышку с прокладкой.
Снимите вилку привода выключения сцепления, а с направляющей втулки передней крышки коробки передач – муфту выключения сцепления в сборе.
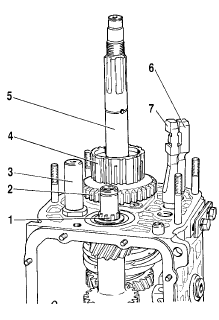
Снимите картер сцепления с прокладкой и передней крышкой коробки передач вместе с сальником и пружинной шайбой (см. рис. 3-13).
Рис. 3-13. Внутренний вид картера сцепления.
Черными стрелками указаны гайки крепления картера сцепления к коробке передач;
белой стрелкой указано отверстие в передней крышке для выпуска масла из картера
коробки передач, чтобы не происходило замасливания дисков сцепления.
Выверните выключатель фонаря заднего хода, соблюдая осторожность, чтобы не деформировать его корпус.
Выверните болт крепления вилки переключения III и IV передач. Установите на первичный вал фиксатор 41.7816.4068 или одновременно включите две передачи. Это предотвратит проворачивание первичного, вторичного и промежуточного валов и позволит выполнить последующие операции по разборке.
Отверните гайку 28 (см. рис. 3-10) на несколько оборотов, чтобы сдвинуть центрирующее кольцо 30 эластичной муфты, и снова заверните гайку 28. Выталкивателем А.40006/1 со съемником А.40005/4 снимите с конца вторичного вала центрирующее кольцо эластичной муфты карданного вала (рис. 3-14).
Рис. 3-14. Снятие центрирующего кольца эластичной муфты карданного вала
Снимите с конца вторичного вала уплотнитель 29 центрирующего кольца эластичной муфты, отверните гайку 28 и съемником А.40005/3/9В/9С снимите фланец эластичной муфты (рис. 3-15).
Рис. 3-15. Снятие фланца эластичной муфты съемником А.40005/3/9В/9С:
1 – фланец эластичной муфты;
2 – съемник А.40005/3;
3 – планка съемника А.40005/3;
4 – болты крепления приспособления к фланцу.
Прежде чем снимать заднюю крышку, снимите механизм выбора передач. Для этого снимите хомут тяги привода 33 (см. рис. 3-11), отвернув болт 34. Затем, отвернув гайки крепления 21 (см. рис. 3-10), снимите механизм выбора передач в сборе.
Отверните шесть гаек крепления задней крышки 36, причем одна из гаек крепления задней крышки отвертывается изнутри картера коробки передач при снятой нижней крышке. При снятии задней крышки ее необходимо подавать не только назад, но и поворачивать, чтобы исключить ее задевание за блок шестерен заднего хода и пятой передачи.
После снятия с вторичного вала внутреннего кольца заднего подшипника 32 и распорной втулки 33 подшипника ослабьте болты крепления крышки фиксаторов 5 (рис. 3-16) и отверните болты 2 и 4 крепления блока шестерен и вилки включения пятой передачи и заднего хода. Снимите маслоотражательную шайбу 26 (см. рис. 3-10) и выньте шток 1 (рис. 3-17) из вилки 2. При этом со штока снимается дистанционная втулка 3. Затем снимите со шлиц промежуточного вала блок шестерен 4.
Рис. 3-16. Отвертывание болтов крепления блока шестерен и вилки включения V передачи
и заднего хода:
1 – промежуточная шестерня заднего хода;
2 – болт крепления блока шестерен;
3 – шток вилки;
4 – болт крепления вилки;
5 – крышка фиксаторов.
Рис. 3-17. Снятие штока вилки включения V передачи и заднего хода:
1 – шток вилки включения V передачи и заднего хода;
2 – вилка включения V передачи и заднего хода;
3 – дистанционная втулка;
4 – блок шестерен.
Снимите одновременно промежуточную шестерню 1 (рис. 3-18) заднего хода с оси, шестерню 3 в сборе с муфтой и вилкой 4 с вторичного вала. Затем снимите упорную шайбу и стопорное кольцо.
Рис. 3-18. Снятие промежуточной шестерни заднего хода, шестерни V передачи в сборе
с синхронизатором и вилкой:
1 – промежуточная шестерня заднего хода;
2 – муфта включения V передачи;
3 – шестерня V передачи и заднего хода;
4 – вилка включения V передачи и заднего хода.
Снимите ступицу 4 (рис. 3-19) синхронизатора пятой передачи, пружинную шайбу и ведомую шестерню 2 заднего хода.
Рис. 3-19. Снятие ведомой шестерни заднего хода и ступицы муфты синхронизатора V
передачи:
1 – промежуточный вал;
2 – ведомая шестерня заднего хода;
3 – ось промежуточной шестерни заднего хода;
4 – ступица муфты синхронизатора V передачи;
5 – вторичный вал;
6 – шток вилки включения I и II передач;
7 – шток вилки включения III и IV передач.
С помощью фигурных оправок (типа отверток) и стержневых выколоток выньте из картера коробки передач передний и задний подшипники промежуточного вала. На внутренних кольцах двухрядного подшипника нанесите метки, по которым эти кольца устанавливайте на прежние места в наружном кольце подшипника.
Выньте из картера коробки передач промежуточный вал, наклоняя его, как показано на рис. 3-20.
Рис. 3-20. Извлечение промежуточного вала из картера коробки передач
Выньте из картера коробки передач поочередно штоки вилок переключения I, II, III и IV передач, предварительно отвернув болты крепления вилок. Вынимая штоки, одновременно удалите три блокировочных сухаря 6 (рис. 3-21). Снимите стопорную пластину (рис. 3-22) промежуточного подшипника вторичного вала. Отверните гайку крепления оси промежуточной шестерни заднего хода и снимите ее.
Рис. 3-21. Привод выбора передач:
1 – вилка включения III и IV передач;
2 – шток вилки включения I и II передач;
3 – шток вилки включения III и IV передач;
4 – вилка включения I и II передач;
5 – шток вилки включения V передачи и заднего хода;
6 – блокировочные сухари;
7 – крышка фиксаторов;
8 – пружина фиксаторов;
9 – шарик фиксаторов;
10 – вилка включения V передачи и заднего хода;
11 – головка штока вилки включения V передачи и заднего хода;
12 – блок шестерен V передачи и заднего хода;
13 – ось промежуточной шестерни заднего хода;
14 – промежуточная шестерня заднего хода;
15 – шайба направляющей пластины;
16 – направляющая пластина;
17 – корпус рычага выбора передач;
18 – шаровая опора;
19 – сферическая шайба шаровой опоры;
20 – рычаг выбора передач.
Рис. 3-22. Отвертывание винтов крепления стопорной пластины промежуточного подшипника
вторичного вала дрель-отверткой.
Стрелкой показано направление ударного хода обоймы отвертки при ударе молотком.
С помощью оправок (типа отверток) выньте первичный вал вместе с подшипником и кольцом синхронизатора (рис. 3-23) и снимите игольчатый подшипник с переднего конца вторичного вала.
Рис. 3-23. Извлечение первичного вала из картера коробки передач
Выбейте из промежуточного подшипника вторичный вал, выньте промежуточный подшипник и, наклонив как показано на рис. 3-24, извлеките из картера вторичный вал в сборе с шестернями, муфтами и кольцами синхронизаторов. Снимите с вала муфту синхронизатора III и IV передач.
Рис. 3-24. Извлечение вторичного вала из картера коробки передач
Разберите первичный вал (рис. 3-25):
• снимите стопорное кольцо 7, блокирующее кольцо 6 и пружину 5 синхронизатора;
• установите вал на пресс и, сжав оправкой 41.7816.4069 пружинную шайбу 2, снимите
стопорное кольцо 1, а затем пружинную шайбу и подшипник 3.
Рис. 3-25. Детали первичного вала:
1 – стопорное кольцо;
2 – пружинная шайба;
3 – подшипник;
4 – первичный вал;
5 – пружина синхронизатора;
6 – блокирующее кольцо синхронизатора;
7 – стопорное кольцо;
8 – подшипник.
Разберите вторичный вал (рис. 3-26):
Рис. 3-26. Детали вторичного вала:
1 – стопорное кольцо;
2 – пружинная шайба;
3 – ступица синхронизатора;
4 – муфта синхронизатора;
5 – блокирующее кольцо;
6 – пружина синхронизатора;
7 – шайба;
8 – шестерня III передачи;
9 – вторичный вал;
10 – шестерня II передачи;
11 – шестерня I передачи;
12 – втулка шестерни;
13 – подшипник;
14 – шестерня заднего хода;
15 – упорная шайба;
16 – шестерня V передачи;
17 – маслоотражательная шайба;
18 – распорная втулка;
19 – задний подшипник вторичного вала;
20 – сальник;
21 – фланец эластичной муфты;
22 – стопорная шайба;
23 – гайка;
24 – уплотнитель;
25 – центрирующее кольцо.
• снимите с задней стороны вала шестерню 11 первой передачи с втулкой 12, ступицу
3 со скользящей муфтой 4 переключения I и II передач, шестерню 10 второй передачи
вместе с блокирующим кольцом 5 синхронизатора;
• установите вторичный вал с оправкой 41.7816.4069 на пресс (рис. 3-27), подложите
под шестерню III передачи опорные полукольца 3 и, нажимая оправкой на пружинную
шайбу, снимите стопорное кольцо 2, затем пружинную шайбу 4, ступицу скользящей муфты
переключения III и IV передач и шестерню III передачи.
Рис. 3-27. Установка на вторичном валу стопорного кольца:
1 – оправка 41.7816.4069;
2 – стопорное кольцо;
3 – опорное полукольцо;
4 – пружинная шайба;
5 – шток пресса
При необходимости разберите механизм выбора передач (рис. 3-28), для чего:
Рис. 3-28. Механизм выбора передач:
1 – шайба направляющей пластины;
2 – направляющая пластина;
3 – корпус рычага выбора передач;
4 – шаровая опора;
5 – чехол корпуса переднего шарнира;
6 – ось шарнира тяги;
7 – втулка проушины тяги;
8 – тяга привода управления коробкой передач;
9 – чехол тяги привода управления;
10 – корпус шарнира тяги привода управления;
11 – стопорное кольцо;
12 – уплотнительное кольцо;
13 – пружина рычага выбора передач;
14 – сферическая шайба шаровой опоры;
15 – фланец;
16 – рычаг выбора передач;
17 – пружина направляющей планки;
18 – направляющая планка;
19 – уплотнительное кольцо;
А – риска.
• снимите защитные чехлы 1 и 6 (рис. 3-29);
Рис. 3-29. Детали механизма выбора передач:
1 – чехол тяги передний;
2 – ось шарнира тяги;
3 – корпус шарнира тяги;
4 – втулка проушины тяги;
5 – тяга привода управления коробкой передач;
6 – чехол корпуса переднего шарнира;
7 – болт;
8 – направляющая планка;
9 – пружина направляющей планки;
10 – направляющая пластина;
11 – уплотнительное кольцо;
12 – корпус рычага выбора передач;
13 – рычаг выбора передач;
14 – уплотнительное кольцо;
15 – стопорное кольцо;
16 – прокладка шаровой опоры;
17 – фланец крепления уплотнителя;
18 – шайба;
19 – гайка;
20 – шайба;
21 – пружина;
22 – сферическая шайба шаровой опоры;
23 – шаровая опора рычага выбора передач;
24 – прокладка;
25 – шайба направляющей пластины.
• сдерните корпус шарнира тяги 3, сжав стопорное кольцо 15, с рычага выбора передач
13. Это позволит вынуть ось шарнира тяги 2 и снять тягу привода 5 с двумя втулками
4;
• снимите пружину 21 и сферическую шайбу шаровой опоры 22 с рычага выбора передач
13;
• отметьте визуально расположение деталей относительно риски А (см. рис. 3-28),
нанесенной на направляющей пластине, чтобы при сборке соединить детали в том же
положении;
• отвернув гайки с болтов крепления, разъедините детали механизма выбора передач
и снимите рычаг 16, его шаровую опору 4 и уплотнительные кольца 19.
Рис. 3-30. Детали привода управления механизмом выбора передач:
1 – корпус шаровой опоры;
2 – пружина;
3 – ползун шаровой опоры;
4 – стопорное кольцо;
5 – прокладка корпуса шаровой опоры;
6 – опорная пластина;
7 – прокладка нижнего корпуса;
8 – нижний корпус рычага выбора передач;
9 – болт хомута;
10 – шайба;
11 – хомут тяги привода управления;
12 – защитный чехол;
13 – наконечник тяги;
14 – винт блокировочного упора;
15 – ось рычага выбора передач;
16 – зубчатая шайба;
17 – блокировочный упор;
18 – втулка;
19 – дистанционная втулка;
20 – рычаг выбора передач;
21 – втулка;
22 – шайба;
23 – гайка оси рычага;
24 – накладка блокировки заднего хода;
25 – болт накладки;
26 – шайба;
27 – уплотнительный чехол;
28 – корпус рычага выбора передач;
29 – задняя опора;
30 – кольцо распорное;
31 – шайба задней опоры;
32 – шайба;
33 – гайка задней опоры;
34 – шайба;
35 – болт корпуса рычага выбора передач;
36 – шайба;
37 – гайка крепления корпуса шаровой опоры.
Также при необходимости разберите привод управления механизмом выбора передач, для чего:
• снимите защитный чехол 12 (рис. 3-30), выньте накладку блокировки заднего хода
24 из корпуса рычага, отвернув два болта 25;
• разберите корпус рычага выбора передач, отвернув четыре болта 35;
• снимите корпус шаровой опоры 1, отвернув три гайки 37. После чего снимите наконечник
тяги 13, отвернув гайку 23 и вынув ось рычага выбора передач 15;
• для снятия ползуна шаровой опоры 3 выньте стопорное кольцо 4.
Сборку коробки передач проводите в последовательности, обратной разборке. При этом учтите, что:
• ось промежуточной шестерни заднего хода крепится до установки валов в картер
коробки передач моментом 78 Н·м (7,8 кгс·м);
• перед установкой штока вилки включения пятой передачи и заднего хода в картер,
установите на него дистанционную втулку;
• внутреннее кольцо подшипника напрессовывается на блок шестерен пятой передачи
и заднего хода, а наружное – в гнездо задней крышки;
• задний подшипник вторичного вала напрессовывается на вал для облегчения установки
задней крышки;
• промежуточную шестерню 1 (см. рис. 3-18) заднего хода, шестерню 3 и вилку 4 устанавливайте
одновременно;
• болт крепления блока шестерен затягивайте моментом 78 Н·м (7,8 кгс·м);
• перед установкой рабочую поверхность сальников покройте смазкой Литол-24;
• при установке сальников и подшипников пользуйтесь оправками 41.7853.4028, 41.7853.4032,
41.7853.4039;
• при сборке механизма выбора передач на поверхности рычага выбора передач, контактирующие
с шаровой опорой и с корпусом шарнира тяги, нанесите смазку Литол-21 или ЛСЦ-15.
А также нанесите смазку на внутреннюю поверхность сферической шайбы шаровой опоры;
• при сборке привода управления механизмом переключения передач на внутреннюю поверхность
корпуса шаровой опоры нанесите смазку ЛСЦ-15;
• при установке привода управления механизмом переключения передач, удерживая рычаг
переключения передач и опорную пластину во взаимном положении, определяемом размерами
(см.
рис. 3-11) Д=(1,5+0,5) мм, Е=(1+0,5) мм и Ж=(81,5+0,5) мм, затянуть болт хомута
тяги привода управления моментом 24,5 Н·м (2,5 кгс·м);
• при установке рукоятки рычага выбора передач обеспечить ее положение относительно
направления движения автомобиля, как указано на виде А (рис. 3-31).
Рис. 3-31. Установка рукоятки рычага выбора передач: А – направление движения автомобиля.
Смотрите также:
Рулевой механизм - прокачка системы гидроусилителя рулевого управления
Прокачка (удаление воздуха) гидравлической системы усилителя рулевого управления
необходима после любых работ, связанных с разгерметизацией системы (замена насоса
или трубопроводов). Признаком нал ...
Фильтр салона
Микрофильтр с ручным
управлением
Фильтр задерживает присутствующие в поступающем через воздухозаборник в салон автомобиля
воздухе пыль, сажу, пыльцу, споры
и запахи (при использовании комбинирован ...
Безопасный подъем автомобиля
Для безопасного подъема автомобиля домкратом необходимо выполнить
следующее:
1. Установите автомобиль на ровную твердую поверхность.
2. Перед подъемом освободите автомобиль от посторонних предмето ...


