Противотуманные фары
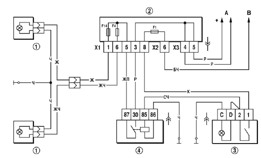
На автомобилях в вариантном исполнении могут быть установлены противотуманные фары. Схема включения противотуманных фар показана на рис. 7-39. Фары включаются выключателем 3 с помощью вспомогательного реле 4 типа 113.3747. Противотуманные фары можно включить только в том случае, если переключателем включено наружное освещение.
Рис. 7-39. Схема включения противотуманных фар 1 - противотуманные фары;
2 - монтажный блок;
3 - выключатель противотуманных фар;
4 - реле включения противотуманных фар;
А - к источникам питания;
В - к переключателю наружного освещения.
Смотрите также:
Включение/выключение функции “Приоритет информации о положении на дорогах”
Нажмите кнопку TR (PTY) (13).
При активации функции приоритета информации о положении на дорогах на дисплее
загорается индикатор “TRAFFIC”.
ПРИМЕЧАНИЕ
В следующих случаях появляется предупре ...
Замена сальника распределительного вала
При обнаружении следов подтекания масла через сальник распределительного вала
сначала проверьте, не засорена ли система вентиляции картера и не пережаты ли шланги
системы вентиляции картера;
при ...
Рекомендации по вождению автомобиля - постановка автомобилей на стоянку
Нажимая на педаль тормоза, надежно зафиксируйте стояночный тормоз.
Для автомобиля с механической коробкой передач:
1. Остановите автомобиль на ровной горизонтальной площадке и переведите рычаг
пер ...


